| Тип вентилятора AC/DC | |
|---|---|
| Конструкция | |
| Типоразмер мм | |
| Бренд | |
| Вес кг | |
| Сила тока A | |
| Частота Гц | |
| Питание В | |
| Частота вращения об/мин | |
| Мощность кВт | |
| Мощность W | |
| Материал | |
| Подшипники | |
| Частота вращения rpm |
Двигатель Ebmpapst M3G084GF0642 переменного тока AC 400В
Цены несут справочный характер. Счета выставляются в тенге по курсу на день выставления.
Артикул:
M3G084-GF06-42
Категория: Электродвигатели
Быстрая заявка на приобретение товара
Описание Ebmpapst M3G084-GF06-42
Для множества применений в области вентиляции ЭБМ–ПАПСТ предлагает наиболее подходящие решения. Для решения Вашей конкретной задачи всегда найдется оптимальное решение за счет множества комбинаций различных характеристик двигателя, рабочего колеса и устройств управления.
Критерии выбора
При выборе вентилятора для конкретного применения важную роль играют следующие параметры:
- Производительность при заданном сопротивлении;
- Напряжение питания – постоянное и переменное;
- Уровень шума;
- Коэффициент полезного действия;
- Имеющееся пространство для монтажа.
Рабочие параметры Ebmpapst M3G084-GF06-42
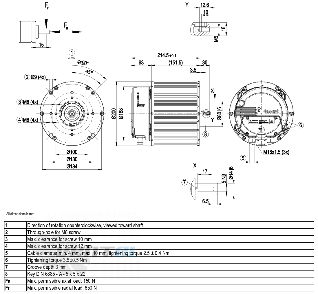
Габаритные размеры Ebmpapst M3G084-GF06-42
Схема электрического подлкючения
Расшифровка наименования

Будьте первым, кто оставил отзыв на “Двигатель Ebmpapst M3G084GF0642 переменного тока AC 400В” Отменить ответ

Отзывы
Отзывов пока нет.