| Конструкция | |
|---|---|
| Типоразмер мм | |
| Бренд | |
| Частота вращения об/мин |
Рабочее колесо Ziehl-abegg RH10C.1R/SM30 арт.112274 с зажимной ступицей
2,733.33$
Цены несут справочный характер. Счета выставляются в тенге по курсу на день выставления.

Мы продаем знания, а уже потом железо. Консультирование и подбор аналогов Ziehl-abegg по характеристикам, рабочей точке. Аналоги от других производителей.
1. Описание рабочего колеса RH10C.1R/SM30 с зажимной ступицей из стали
Оптимально подходит для использования без спирального корпуса, благодаря аэродинамически оптимизированной форме лопаток рабочего колеса. С вращающимся безлопаточным диффузором, повышающим КПД и улучшающим акустические характеристики.
Защита ступицы
- SM12 – SM20: фосфатирование
- SM25 – SM35: фосфатирование и лакокрасочное покрытие цвета RAL 7011
После монтажа требуется проведение балансировочных испытаний; при необходимости производится дополнительная балансировка.
- Рабочие колеса предназначены для непрерывной эксплуатации S1.
- Монтаж в горизонтальном или вертикальном положении.
Направление вращения
Рабочее колесо вращается по часовой стрелке, если смотреть со стороны всасывания. Если рабочее колесо вращается в противоположном направлении, т. е. изогнутыми краями лопаток вперед, то возникает опасность перегрузки электродвигателя. Перед вводом вентилятора в эксплуатацию необходимо убедиться, что рабочее колесо вращается в правильном направлении.
- Количество лопаток: 7 загнутых назад;
- Сварная конструкция из листовой стали;
- Трехфазный электродвигатель от сети 230/380В, 50 Гц;
- Мощность от 0,55 до 375 кВт с 2, 4 и 6 полюсами;
- Эксплуатация при температурах до 80 °С;
- Cтепень защиты IP 55;
- Класс нагревостойкости изоляции F (155 °С);
- Рабочее колесо статически и динамически сбалансировано;
- По запросу с повышенной защитой от коррозии;
- Заводская табличка с указанием диаметра ступицы, максимально до пустимой скорости вращения и качества балансировки;
- С приклеенной на корпус стрелкой, указывающей направление вращения;
- Посадка ступицы на вал с балансировкой с полушпонкой.
По запросу:
- Электродвигатель со встроенным преобразователем частоты.
- Повышенная защита от коррозии.
2. Рабочие характеристики Ziehl-abegg RH10C.1R/SM30

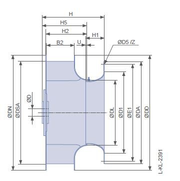
3. Габаритные и присоединительные размеры Ziehl-abegg RH10C.1R/SM30

4. Инструкции руководства по монтажу и по эксплуатации
5. Расшифровка наименования



Отзывы
Отзывов пока нет.